RxP 系列烙鐵頭

  • RxP 系列烙鐵頭是專為返修設計的工具,適用於MFR-1110、MFR-1161、MFR-1351、MFR-2211、MFR-2241系統及MFR-H1-SC手柄。
  • 該系列提供兩種溫度系列(RFP及RCP),強調SmartHeat®技術,能實現高性能返修,適合溫度敏感或高熱能需求應用。
  • RxP系列強調精準控制與多樣幾何形狀,適用於手工返修SMT零件。

METCAL RxP 系列烙鐵頭提供多種型式,以滿足不同焊接應用需求。

以下是一些常見的 RxP 烙鐵頭型式:

1. 刀片型 (Blade)
  • 特點:寬度精準,提供均勻加熱,長度設計便於高密度電路板操作。
  • 用途:用於焊接或返修通孔元件,適用於高密度電路板返修。
  • 範例型號:RFP-BL1 (寬 10 mm)
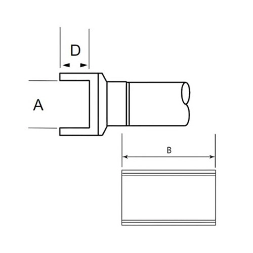
2. 隧道型 (Tunnel)
  • 特點:內徑精準,提供均勻加熱,長度設計便於高密度電路板操作。
  • 用途:用於焊接或返修通孔元件,適用於高密度電路板返修。
  • 範例型號:RFP-DL1 (A=5.18 mm, B=10.16 mm, D=3.22 mm)
    3. 槽型 (Slot)
    • 特點:尖細設計,便於顯微鏡下精準定位,長度可達 1.78 mm。
    • 用途:適合點對點焊接極小元件,如 SMD 零件。
    • 範例型號:RFP-SL1 (A=2.34 mm, B=1.37 mm, D=1.78 mm)
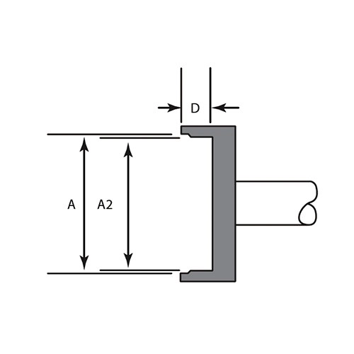
    4. 方形 (Quad)
    • 特點:功率楔型設計,兩種使用方式(烙鐵尖或長邊),提供高熱傳輸效率。
    • 用途:用於拖焊或返修需要高功率的微型焊點,確保熱量集中而不損傷周圍元件。
    • 範例型號:RFP-QD4 (A=12.70 mm, A2=11.43 mm, D=3.81 mm, B=15.24 mm, B2=13.97 mm)
    最高溫度MFR 系列應用
    790°F / 421°CRFP光纖玻璃 , 通用標準
    880°F / 471°CRCP陶瓷和高熱需求
    產品圖示型號ADBSMT類型
    RxP 系列烙鐵頭RFP-BL110 mm---
    RCP-BL1
    RFP-BL215.6 mm---
    RCP-BL2
    RFP-BL322.1 mm---
    RCP-BL3
    產品圖示型號ABDSMT類型
    RxP 系列烙鐵頭RFP-DL15.18 mm10.16 mm3.22 mm隧道式
    SOIC-14-16
    RCP-DL1
    RFP-DL25.18 mm4.32 mm2.29 mm隧道式
    SOIC- 8
    RCP-DL2
    RFP-DL36.86 mm11.15 mm2.29 mm隧道式
    SOIC- 16
    RCP-DL3
    產品圖示型號ABDSMT類型
    RxP 系列烙鐵頭RFP-SL12.34 mm1.37 mm1.78 mm0805貼片
    包裝
    RCP-SL1
    RFP-SL23.48 mm1.63 mm1.78 mm1206貼片
    包裝
    RCP-SL2
    產品圖示型號AA2DBB2SMT類型
    RxP 系列烙鐵頭
    RxP 系列烙鐵頭
    RFP-QD412.70 mm11.43 mm3.81 mm15.24 mm13.97 mmPLCC 32
    RCP-QD4
    RFP-QD617.78 mm16.76 mm3.81 mm15.24 mm13.97 mmPLCC 44
    RCP-QD6
    RFP-QD725.27 mm24.38 mm3.81 mm15.24 mm13.97 mmPLCC 68
    RCP-QD7
    RFP-QD1020.32 mm19.30 mm3.81 mm15.24 mm13.97 mmPLCC 52
    RCP-QD10
    RFP-QD1513.34 mm12.32 mm3.81 mm15.24 mm13.97 mmTQFP 80
    RCP-QD15
    RFP-QD1916.13 mm16.13 mm3.81 mm15.24 mm13.97 mmQFP 44
    RCP-QD19
    RFP-QD2016.51 mm16.51 mm3.81 mm15.24 mm13.97 mmQFP 100
    RCP-QD20